Design
// Querstabhalter in Designausführung für elegante und hochwertige Geländersysteme.
Filtre
-
raccord de tuyaux
- Rohrverbinder Temperguss | T-Stücke
- Rohrverbinder Temperguss | Eckstücke
- Rohrverbinder Temperguss | Kreuzstücke
- Rohrverbinder Temperguss | Wandhalterungen / Fußplatten
- Rohrverbinder Temperguss | Handläufe
- Rohrverbinder Temperguss | Aufklappbare Verbinder
- Rohrverbinder Temperguss | Variabler Winkel
- Rohrverbinder Temperguss | Befestigungsringe / Flansch
- Rohrverbinder Temperguss | Gelenkstücke
- Rohrverbinder Temperguss | Verlängerungsstücke
- Rohrverbinder Temperguss | Wechselnder Durchmesser
- Rohrverbinder Temperguss | Zubehör
-
Edelstahlkomponenten
- Plattenhalter
- Glas- und Plattenhalter
- Glasklemmen
- Glasgeländer
- Glaspunkthalter
-
Edelstahlgeländer
- Abdeckrosetten | Pfostenabdeckung
- Ankerplatten
- Ausgleichsstücke
- Geländerpfosten | Pfostenbefestigung
- Handlaufhalter
- Handlaufstützen
- Anschlussplatte
- Trägerstifte für Handlaufhalter
- Trägerbügel
- LED Edelstahl Handlauf
- Querstabhalter
- Rohrstopfen
- Pfostenkappen
- Klöpperböden Edelstahl
- Ronden
-
Rohrbögen
- Rohrbogen 90 grad (Schweißfittings Bauart 3 DIN)
- Rohrbogen 45 grad (Schweißfittings Bauart 3 DIN)
- Rohrbogen 180 grad (Schweißfittings Bauart 3 DIN)
- Rohrbogen 90 grad (Schweißfittings Bauart 2 DIN)
- Rohrbogen 90 grad (Schweißfittings Bauart 5)
- Rohrbögen Sonderwinkel Schweißfittings
- Eckstück 90 grad Schweißfittings
- T-Stück Schweißfittings
- Verbindungsstück Schweißfittings
- Kreuzstück Schweißfittings
- Steckverbindungen
- Zierteile
- Wandanker | Bodenanker
- Klemmprofil
- Glas- und Türsysteme
- Kugeln | Kegel | Würfel
- Edelstahlrohre | Stangenmaterial
- Nutrohre
- Steckfittinge / Endkappen Nutrohre
- Haus | Garten
- Torbau | Türschlösser | Türdrücker
- Edelstahlseile | Drahtseilklemmen | Zubehör
- Marine | Bootsbedarf
- Zubehör | Schrauben | Kleber
- Messebau
- Black Lane - Pulverbeschichtete Edelstahl Teile
- Glasschiebetür
- BRENK-fix® Grundhalter
-
Schmiedeeisen
- Kappen
- Ankerplatten
- Anschweißbänder
- Anschweißlaschen
- Barockprogramm
- Buchstaben
- Einschlagstopfen
- Klöpperböden Stahl Roh
- Handlaufhalter + Zubehör
- Hausnummern
- Kugeln
- Kunststoffhandläufe
- Ringe | Kreuze
- Ronden
- Schlösser | Türgriffe | weiteres Zubehör
- Stangenmaterial
- Rohrbogen
-
Torbänder
- Torband mit Einschweissmuffe
- Torband mit Langlochlasche
- Torband mit langem Gewinde
- Torbänder 4-fach verstellbar
- Selbstschließende Torbänder
- Gewindehülsen für Torbänder – Ersatz & Zubehör
- mit Anschweißplatte
- Hebetorbeschläge
- Einstellbare Mauerplatten für Torbänder
- Messingscheiben für feuerverzinkte Torbänder
- Augenschrauben einzeln für Torband
- zum Einbetonieren
- mit Winkellasche
- mit Mauerplatte
- Zaunspitzen
- Zaunstäbe
- Zierstäbe
- Schmiedelack und Farben
- Schmiedekunst Basic Line
-
Gitterroststufen
-
Gitterroste
-
Marine | Bootszubehör
-
Schiebetorbeschläge
- Schiebtorbeschlag 0 | Torgewicht je Torflügel bis 90 kg
- Schiebtorbeschlag 1 | Torgewicht je Torflügel bis 200 kg
- Schiebtorbeschlag 2 | Torgewicht je Torflügel bis 400 kg
- Schiebtorbeschlag 3 | Torgewicht je Torflügel bis 600 kg
- Schiebtorbeschlag 4 | Torgewicht je Torflügel bis 1200 kg
- Schiebtorbeschlag 5 | Torgewicht je Torflügel bis 2000 kg
- Komplettsortiment
- Alle Größen passend 1 bis 5
- Gussrollen für Schiebetore
-
Verschlussstopfen und Schutzkappen
Filtre
Disponible, : Lieferzeit 1-2 Werktage
Disponible, : Lieferzeit 1-2 Werktage
Disponible, : Lieferzeit 1-2 Werktage
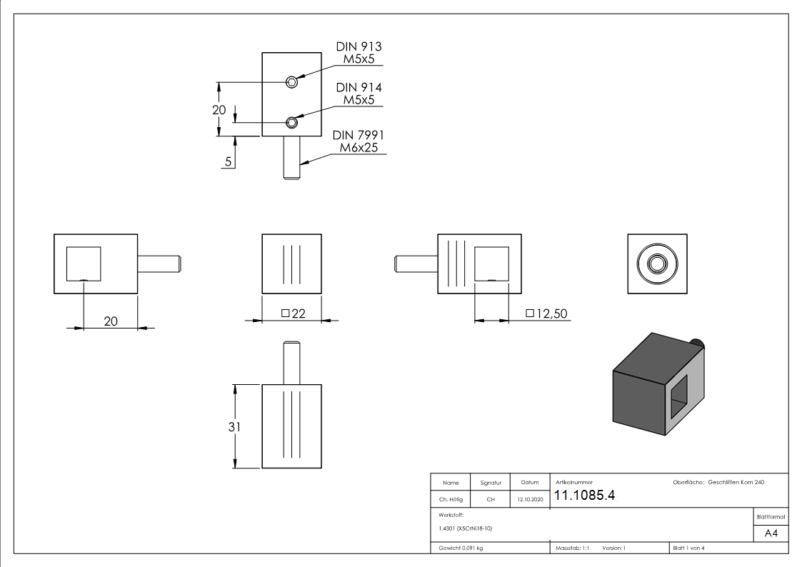
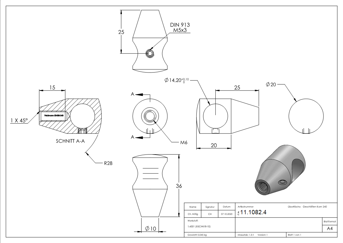
Supports de traverses design en acier inoxydable : carrés et coniques pour des garde-corps haut de gamme
Une balustrade avec des traverses en acier inoxydable est bien plus qu'une simple protection antichute : c'est la carte de visite de votre maison. Si vous recherchez quelque chose d'exceptionnel et souhaitez vous démarquer de la norme, optez pour nos supports de traverses design.
Chez FeNau, nous vous proposons des formes exclusives qui soulignent l'architecture de votre bâtiment. Que ce soit la géométrie épurée de nos supports carrés ou l'élégance dynamique des supports coniques : vous trouverez ici des éléments qui transforment un simple garde-corps en un objet design.
1. Les supports carrés : des lignes épurées pour un habitat moderne
La tendance en architecture moderne est aux lignes épurées et au cubisme. Nos supports de barre carrés y répondent parfaitement.
- Parfaits pour les tubes carrés : ces supports s'harmonisent idéalement avec les poteaux carrés (par ex. 40 x 40 mm). Le langage des formes reste résolument angulaire, du poteau au support.
- Un contraste captivant : combinez des supports angulaires avec des barres de remplissage rondes pour créer un contraste visuel intéressant, ou optez pour des barres de remplissage carrées pour un effet de rigueur maximal.
- Aspect massif : le support de traverse carré semble plus robuste et plus imposant que son équivalent rond.
2. Les supports coniques : une dynamique élégante
Vous préférez un style plus filigrane ? Nos supports de traverses coniques s'effilent vers la traverse.
- Design élancé : grâce à ce rétrécissement, le support semble moins massif. La balustrade paraît plus légère et plus aérienne.
- Forme aérodynamique : la saleté et l'eau s'écoulent mieux sur la surface inclinée que sur des cylindres droits – un avantage discret mais appréciable en extérieur.
- Aspect haut de gamme : cette forme est plus complexe à fabriquer et indique immédiatement à l'observateur : ici, la construction est de grande qualité.
💎 Conseil design FeNau :
Veillez à la cohérence ! Si vous optez pour des supports de barreaux carrés pour votre garde-corps, les supports de vitre ou les ancrages au sol devraient idéalement présenter eux aussi une forme de base angulaire. Cela permet de créer un ensemble harmonieux et professionnel.
Quand la technique rencontre l'esthétique
Même si le design est au premier plan pour ces supports de traverses, nous ne faisons aucun compromis sur la qualité.
- Matériau : acier inoxydable (V2A/V4A) pour une beauté durable.
- Compatibilité : malgré leur forme extérieure particulière, les alésages sont standardisés. Vous pouvez utiliser sans problème nos barres de remplissage standard (par ex. Ø 10 mm, Ø 12 mm).
- Montage : les supports design sont également montés de manière invisible ou à l'aide de vis à tête fraisée, afin qu'aucune tête de vis ne vienne gâcher l'esthétique.
Apportez la touche finale à votre projet. Avec les supports de barres transversales design de FeNau, vous optez pour l'individualité plutôt que pour la production de masse.