Passer au contenu principal Passer à la recherche Passer à la navigation principale
Menu

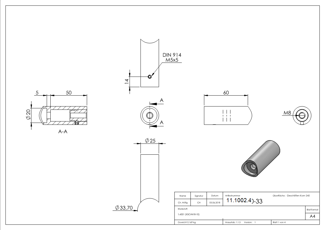
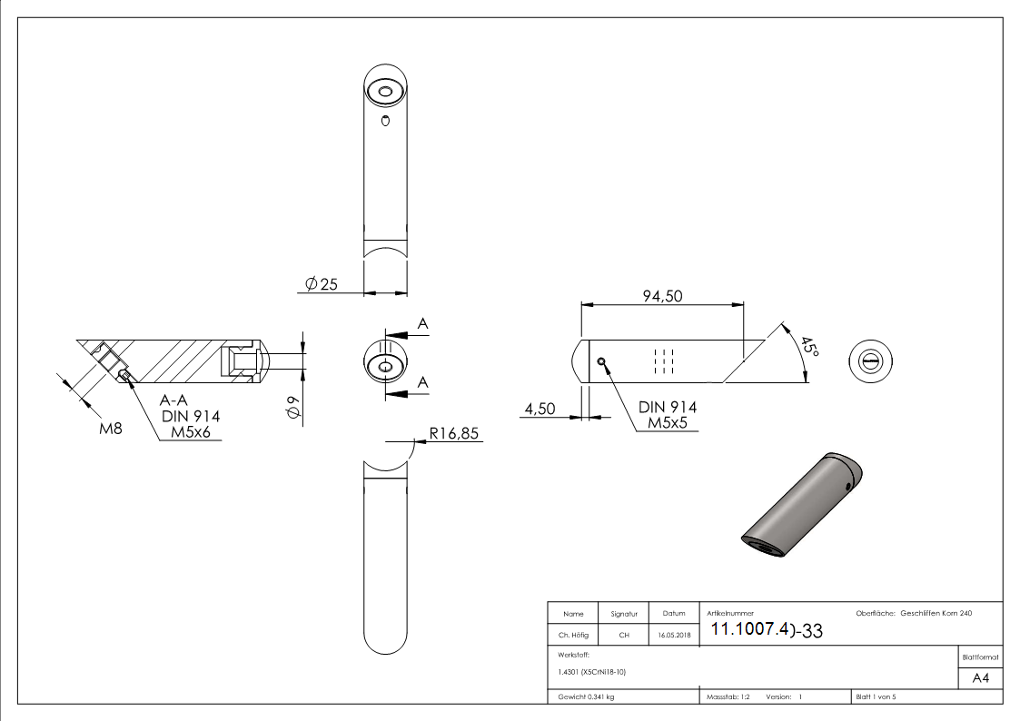
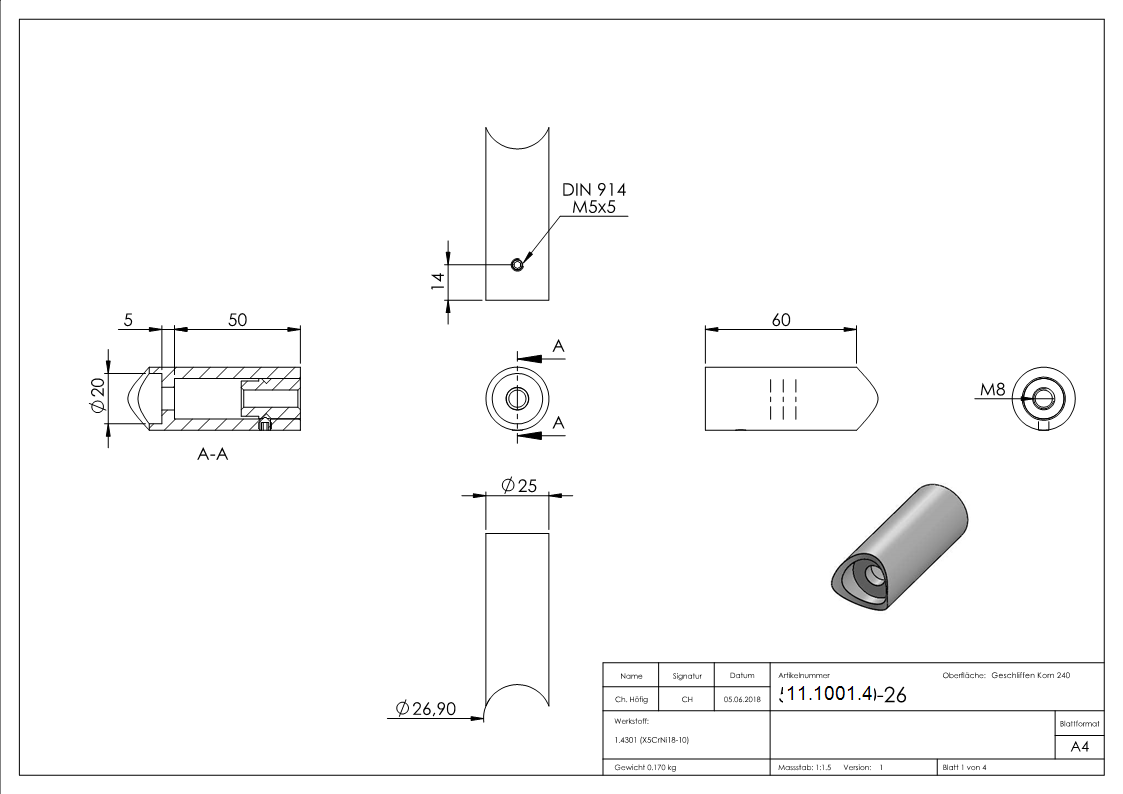
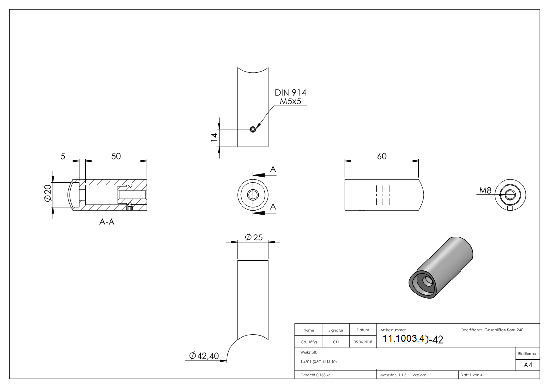
Entretoise pour tuyaux

// Die elegante Lösung für definierte Abstände zwischen Rohren und Bauteilen.

Filtre